Liste der Anhänge anzeigen (Anzahl: 1)
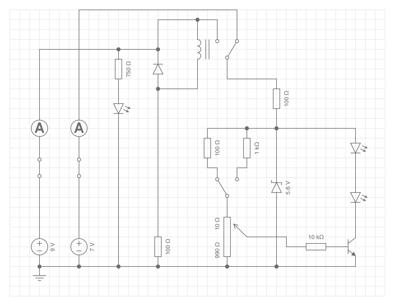
Noch eine Anpassung beim Poti:
Wenn der LDR (hier als 100-Ohm-Ersatzwiderstand) bei starker Beleuchtung in Richtung niederohmig geht, fließt ein relativ hoher Strom durch das Poti. Steht es am Anschlag, verträgt es jedoch nur sehr wenig Strom.
Die neuen Widerstandswerte „rundherum“ sollen sicherstellen, dass es zu keiner Überlastung kommt aber dennoch genug Strom fließt:
Anhang 135084
===
ENDE
===
Alle Hinweise selbstverständlich ohne Gewähr. Was in meinem Fall klappte, muss bei anderen nicht funktionieren. Bzw. gibt es sicher auch geeignetere Vorgangsweisen. Nachbau und Betrieb auf eigene Gefahr. Fehler im Schaltungsdesign können nicht ausgeschlossen werden. Zu prüfende Geräte müssen spannungsfrei sein, Sicherheitsbestimmungen beim Umgang mit elektronischen Geräten beachten. Kurzschlüsse vermeiden. Betrieb nur unter Aufsicht, Hauptschalter bei Nichtgebrauch auf OFF stellen. Bei längerer Stehzeit Batterie entnehmen. Bauteile können beim Betrieb bei höherer Umgebungstemperatur überlastet werden - Verbrennungs- und Brandgefahr. Für die ordnungsgemäße und gefahrfreie Funktion der Schaltung und ihrer Anwendung wird keine Haftung übernommen. Kein kommerzielles/professionelles/zertifiziertes und geprüftes Gerät/Schaltung, Projekt im Hobbybereich.
Liste der Anhänge anzeigen (Anzahl: 5)
Heute habe ich die erweiterte Schaltung für den Illuminator 3.0 aufgebaut und getestet.
Es gibt nun - zusätzlich zur Batterieschachtbeleuchtung - eine extra helle Leuchte mit manueller und Zeitschaltung. Damit kommt zusätzliches Licht dorthin, wo es gebraucht wird. ZB ins Innere eines Kameragehäuses oder zum Durchleuchten eines Objektivs. Dabei bleibt die Hand frei. Bisher nutzte ich eine LED-Taschenlampe dafür.
Automatische Umschaltung von Batteriebetrieb auf Betrieb mit 9-Volt-Schaltnetzteil, sobald eingesteckt. Zwei LED-Kontrolleuchten.
Um die Batterie zu schonen, kann die extra helle LED nur mit Schaltnetzteil betrieben werden.
Nach zwei Steckfehlern, die mich länger beschäftigt haben, funktioniert jetzt alles wie es soll :spitze:
Es kann gelötet werden - Vorstellung folgt :)
Anhang 135276
Anhang 135277
Anhang 135278
Anhang 135279
Anhang 135280
Alle Hinweise selbstverständlich ohne Gewähr. Was in meinem Fall klappte, muss bei anderen nicht funktionieren. Bzw. gibt es sicher auch geeignetere Vorgangsweisen. Nachbau und Betrieb auf eigene Gefahr. Fehler im Schaltungsdesign können nicht ausgeschlossen werden. Zu prüfende Geräte müssen spannungsfrei sein, Sicherheitsbestimmungen beim Umgang mit elektronischen Geräten beachten. Kurzschlüsse vermeiden. Betrieb nur unter Aufsicht, Hauptschalter bei Nichtgebrauch auf OFF stellen. Bei längerer Stehzeit Batterie entnehmen/Schaltnetzteil abtrennen. Bauteile können beim Betrieb bei höherer Umgebungstemperatur überlastet werden - Verbrennungs- und Brandgefahr. LED-Licht kann blenden. Für die ordnungsgemäße und gefahrfreie Funktion der Schaltung und ihrer Anwendung wird keine Haftung übernommen. Kein kommerzielles/professionelles/zertifiziertes und geprüftes Gerät/Schaltung, Projekt im Hobbybereich.
Liste der Anhänge anzeigen (Anzahl: 1)
Ich kann nur staunen und recht geben. Jugend forscht ist hier scheinbar unterwegs und weit über das Ziel hinweg geschossen, dass doch nur darin bestand, Licht in das Dunkel eines Batteriefachs eines Motordrives zu bringen.
Meine Enkelkinder haben solche Probleme wie Licht in dunkle Ecken zu bringen damit gelöst.
Anhang 147857
Das ist eine batteriebetriebene Lichtangel, die regelmäßig für die jüngsten Kinder beim "Laterne laufen" in der Kita genutzt werden. Da braucht es kein Developer Board, keine Leiterbahn - Platinen, umfangreiche Suche nach irgendwelchen Trimm-Potis oder weiterer Bauteile. Kostet 6,95 Euro, läßt sich simpel an und ausschalten und fertig ist die "Batteriefach-Dunkelkammerleuchte" :lol:
Liste der Anhänge anzeigen (Anzahl: 1)
Nun ist aber langsam mal Schluss mit lustig.
Wir sind hier nicht in einer Elektronik Bastelbude, sondern in einem Fotoforum.
Einfache Schaltungen für LED Dimmer sind seit langer, langer Zeit bekannt. Diese kommen mit 5 Bauteilen aus und können selbstverständlich der einschlägigen Literatur z.B. dem Bastelbuch
300 Schaltungen der Elektor Verlags-GmbH eingesehen werden.
Diese Schaltung stammt aus dem Jahr 1977.
Anhang 147872
Es muss nun mal erklärt werden, was dieser Thread hier überhaupt soll, der letztlich nur der Erstellung eines Hilfsmittels dient. Zudem wurden hier von K_Mar auch einfachst-Schaltungen exemplarisch aufgezeigt. Damit hätte das Thema eigentlich auch ein Ende finden können.
Inzwischen ist dieser völlig sinnbefreite Thread hier auf 10 Seiten "aufgeblasen" mit absolut unsinnigen Nebenaspekten in denen es zum Schluss um die Nachhaltigkeit von Wattestäbchen geht.
Da muss ernsthaft die Frage gestellt werden, ob es noch "geht".
Es wird sich wohl kaum ein User für irgendwelche Bastel-Orgien interessieren, wo auf mittlerweile 10 Seiten immer klarer wird, dass es letztlich nur darum geht, die Lernfortschritte im Fach Elektronik darzustellen.
Sorry, aber da muss ich jetzt auf mehrfachen Wunsch auch anderer einfach eingreifen, denn wohl kaum ein fotobegeisterter User wird sich ernsthaft um die Frage sorgen machen, ob er eine Schaltung braucht, die ihm "Licht ins Dunkel" eines Batteriefachs bringt.
So hilfreich in Sachen Objektivreparaturen, eventuelle Kamerareparaturen etc. zu lesen sein mögen, beschäftigen sich aber die wohl wenigsten Leser mit der Reparatur von 12 Minolta Kameras, die noch im Regal liegen und erst Recht nicht für irgendwelche mit Developer Board und einer Anzahl von R's, Tr. und LDR zusammengestrickte Beleuchtungseinheiten, wenn die eigene Lampe einen Blick in das Batteriefach nicht gestattet.
So und nun werde ich diesen Thread final schließen.
LG
Henry