Liste der Anhänge anzeigen (Anzahl: 1)
Hier einmal das Schema durch das System.. Maße sind hier auf das APO Rodagon N 2.8/50mm bezogen, mit leichten Mess-Abweichungen zwischen Stefan und meinem Mess-Schieber..
Anhang 16989
LG
Henry
Liste der Anhänge anzeigen (Anzahl: 3)
@athlone
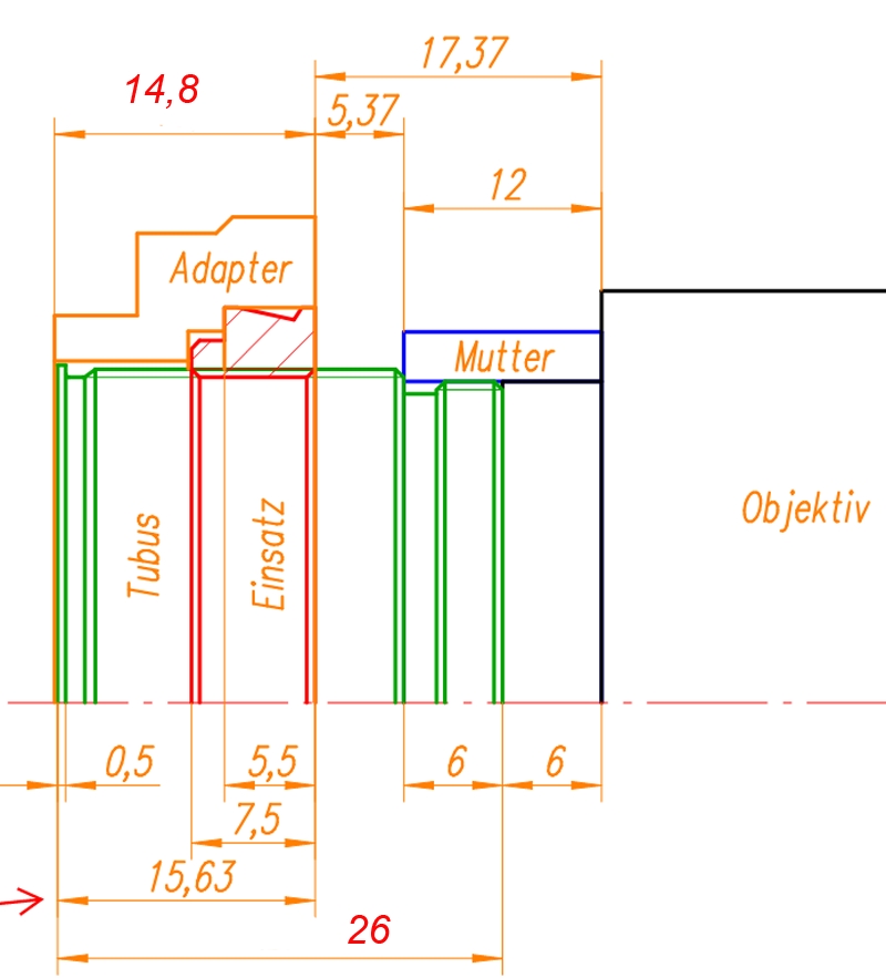
Wenn wir das Inlet (5.5mm Ring mit mehrgängigem Gewinde) so gestalten, dass es nach den ursprünglichen 5.5mm noch einen "Aufsatz" von 2.5-3mm hat, der vom Durchmesser genauso beschaffen ist, wie der eigentliche Adapter-Korpus, so gewinnen wir nochmals eben diese 2.5mm Auszugsweg.
Das Inlet mit dem "vorgebauten" sich auf den Durchmesser des Adapter-Korpus erweiternden ist dann quasi ein komplettes Werkstück und wird nur als Einsatz in diesem NEX Adapter genutzt.
Hier die kurze handschriftliche Skizze..
Anhang 17062
Der schraffierte Bereich zeigt das Inlet, mit dem Erweiterungskragen.
Er verlängert einerseits die Möglichkeiten für das Schneiden des steileren Gewindes und wenn wir eine solche Federwippenbegrenzung, wie hier im Bild gezeigt,
Anhang 17063
in diesem "Kragen" unterbringen können, erweitert es durch den Wegfall des hinteren Begrenzer-Bundes am Tubus (was auch nochmal 0,5mm bringt) den Naheinstellbereich auf 23cm.. das ist phantastisch für eine auf das KB bezogene Brennweite von 75mm..
ungecroppt direkt an der Naheinstellgrenze !! 23cm
Anhang 17064
Gleichzeitig würde die Möglichkeit eröffnet, von vorn einschraubbar zu sein, was auch gestatten würde, das Modul an einen Olympus µFT Adapter zu bringen mit einem leicht modifizierten INLET.
Dort würde die Naheinstellgrenze zwar etwas absinken auf ca. 50-60cm, aber auch das ist noch sehr gut für ein 75mm Objektiv.
Wir müssten nur nochmal sehen, wie wir diese Federwippe herstellen und wie das sinnvoll in diese 2.5-3mm integriert werden kann. Vielleicht hast Du da eine Idee.
LG
Henry