Liste der Anhänge anzeigen (Anzahl: 1)
Zitat:
Zitat von
Ando
Jetzt möchte ich noch wissen, welche genialen Köpfe in Japan sich dieses Debut einer computergesteuerten SLR ausgedacht hatten inklusive der trickreich-genialen elektronischen Detaillösungen. Vergleichbares gab es ja nicht.
Handelt es sich überhaupt um einen Computer nach von Neumann- oder Harvard-Architektur?
Der/die Hauptspeicher fehlen, folglich ist mir nicht klar, wo die Software sitzt.
Und wenn wir das wissen, vielleicht kann sie ausgelesen werden?
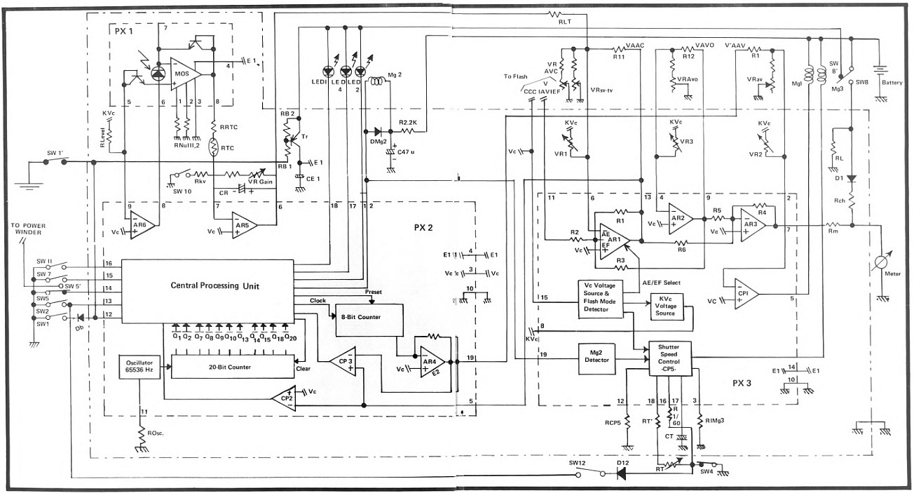
Auf der 16. Seite im PDF ist der Schaltplan zur AE-1 zu sehen:
https://learncamerarepair.com/downlo...canon-AE-1.pdf
Bis zum Beweis des Gegenteils solltest Du davon ausgehen, daß die "Central Processing Unit" allerbestenfalls ein Einchip-Mikrokontroller ist. Mit Pech ist es auch nur ein PAL / PLA / Gate Array aber mit sehr hoher Wahrscheinichkeit maskenprorammiert (auch, wenn es ein "echter" Mikrocontroller sein sollte). Wenn man dann keine Originalunterlagen hat, kann man mit einem Jet-Etcher versuchen mal ins IC-Gehäuse reinzugucken und die Schaltung zu interpretieren - aber ich fahre auch mit dem Auto ohne ständig den stöchiometrischen Ausgleich für den Verbrennungsvorgang zu berechnen (das geht!).
Die Funktionalität der "Central Processing Unit" erscheint auch "eher überschaubar", und viel wird drumherum mit Verstärkern und Komparatoren geregelt. Wikipedia sagt zur AE-1: "Der Mikroprozessor wählte zur eingestellten Belichtungszeit eine Blende und zeigt sie im Sucher an. Dieser in I2L-Technik aufgebaute Prozessor umfasste über 1000 Transistorfunktionen.", und mit 1000 Trans(istor)en ist natürlich nicht viel Staat zu machen. ( https://de.wikipedia.org/wiki/Canon-A-Serie#AE-1 )
Laut Schaltplan steuert die "Central Processing Unit" zwar die LEDs (im Sucher und sicher auch die draußen) an, nicht aber das Drehspulinstrument (das lief bei der OM 2 auch "nebenher"). Das waren die wilden 70er ...
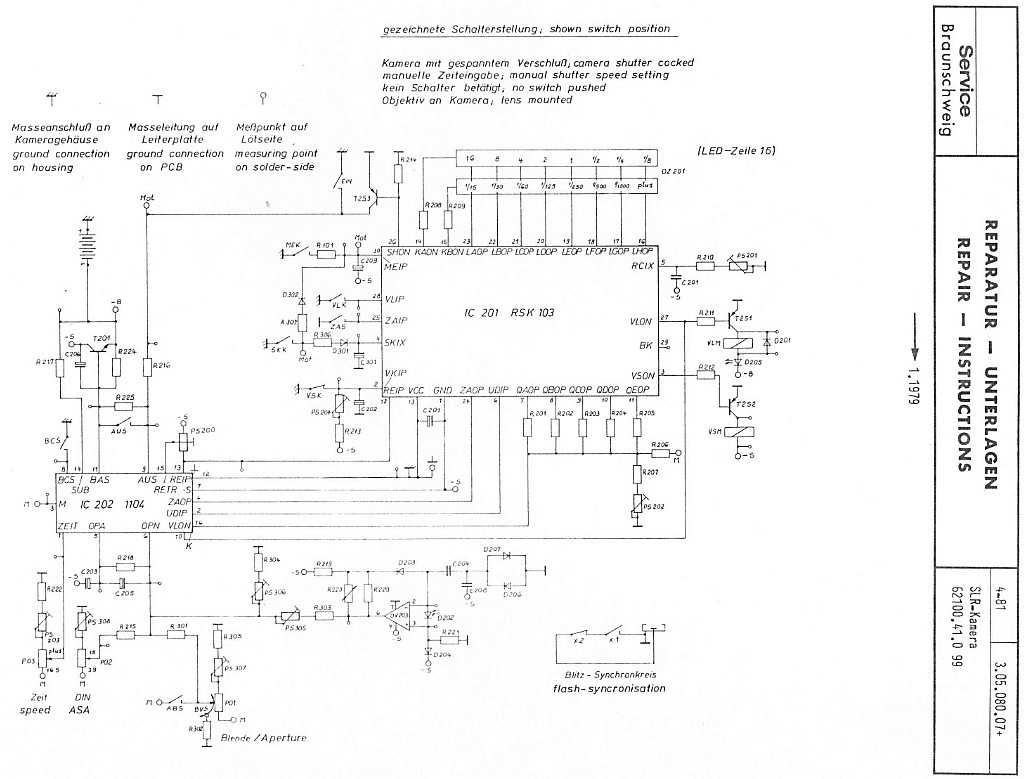
Wenige Jahre später war man beispielsweise bei der Rolleiflex SL 35 E hier angekommen:
Zeit, DIN/ASA, Blende und Meßwert der Fotodioden in "IC 202" integriert,
"IC 201" verarbeitet dann die Referenzspannung und alle anderen Inputs (Schalter für den Selbstauslöser, Verbindung zum Motor) und hat als Output
- LED-Matrix für die Sucheranzeige der Verschlußzeit
- Selbstauslöser Magnet und LED
- Verschlußmagnet (für die Zeit)
(da war man bei Canon dann auch schon bei der A-1)
Um aus der Referenzspannung eine "Zeit" zu machen dürfte eine AD-Wandlung stattfinden, bei der AE-1 erscheint mir die Regelung der Zeit rein analog.
Anhang 140741
Liste der Anhänge anzeigen (Anzahl: 1)
Gucken wir mal weiter in die Canon, ich habe das Schaltbild aus dem von Dir verlinkten Dokument mal extrahiert (und bin noch nicht ganz schlau geworden, weil ich noch zu faul war, im Begleittext zu lesen, was was sein soll und die Beschriftung mir weniger sagt als bei Rollei):
Anhang 140743