Das ist extrem gut, wenn Du Dir mal eine Rolleiflex SL 35 M oder Voigtländer VSL 1 BM einfangen solltest!
Druckbare Version
Falls hier mal wieder jemand reinstolpern sollte ...
Zuerst die gute Nachricht!
Es gibt Chancen, daß der Beli der VSL 1 BM (und Rolleiflex SL 35 M) dem der VSL 1 BM bis auf das Drehspulinstrument stark ähnelt, denn die VSL 1 BM hat in der Rollei Sachnummernlogik die "52" abbekommen, die VSL 1 TM die "44" und mit noch mehr Glück ist das weitgehend von der SL 706 übernommen worden:
Ein (1) Fotowiderstand, den es aber (schlechte Nachricht) in vier (4) Varianten gab
Anhang 130236
Die Platine wird ansatzweise erklärt, drei Potis (nicht daran stören, daß einer eine "31"er Teilenummer hat, die steht für die Rolleiflex SL 35), ein Heißleiter und eine Diode (schlechte Nachricht: In drei Varianten) und ich mutmaße, der Heißleiter und die Diode sollten für Temperaturausgleich zum CdS-Widerstand dienen
Anhang 130237
Anhang 130238
Anhang 130239
Da man dem durchschnittlich begabtem Reparateur (m/w/d) nicht zumuten wollte (oder zutraute), den Beli zu reparieren und ich argwöhne weil Diode, Heißleiter und CdS-Widerstand aufeinander abgestimmt ausgesucht wurden, gab es den Beli als komplette Tauscheinheit:
Anhang 130240
die "75"er Nummern sind "Serviceteile", also Baugruppen speziell für den Servicebetrieb
so sieht der ausgebaute Beli aus
Anhang 130242
Anhang 130243
und so soll er justiert werden:
Anhang 130241
der Clou ist also, die Lichtwerte 6, 12 und 15 einmal auf einer mit der Kamera anzumessenden Fläche darzustellen
und dann reihum zu schrauben bis alles paßt
Anhang 130244
Wer die Seite vorher mit der Wheatstone'schen Brückenschaltung verinnerlicht hat, der wird ahnen, daß eine Justage am Poti für LW12 die Justage für LW6 "irgendwie" wieder beeinflussen wird (für das Poti für LW15 gilt sinngemäß das gleiche).
Wenn der Beli der Kamera etwas von einer anderen Kamera abweichen sollte, würde ich nicht gleich in Panik verfallen. Einerseits weiß man nicht, wie die andere Kamera kalibriert ist (dann noch "digital" zu Film), andererseits weiß man nicht, ob es bei Verschluß und Blende den Beli-Fehler kompensierende oder verstärkende Fehler gibt.
Ein belichteter Diafilm ist am Ende das Kriterium der Wahrheit.
Die Rolleiflex SL35 hat eine ähnliche Schaltung und diese ist hier aufgeführt. Es gibt dort ebenso drei Trimmer, aber andere EV Bereiche für den Abgleich:
http://www.ganjatron.net/photo/35/sl...ightmeter.html
@Jan
Die Scans sind privat von Dir oder gibt es diese Online zu finden? Ebenso die Bilder?
Das sind "Privataufnahmen" ;-)
Zur SL 35 findet man ja noch etwas bei learn camera repair (oder im Rollei Technical Report)
https://learncamerarepair.com/produc...2&secondary=15
Anhang 130245
Auuuuuch eine Meßbrücke, aber zwei Fotowiderstände und Zeit und Filmempfindlichkeit werden elektrisch eingesteuert, und zumindest in der Darstellung kein Heißleiter und keine Diode (für die Originalunterlagen müßte ich aufstehen).
PS: Bei ganjatron sieht man ansatzweise die "31"er Teilenummer der Platine.
Mit etwas Ausdauer findet man alles.
Sogar die Originalunterlagen:
Anhang 133086
Essenz der Weisheit:
Anhang 133087
(Unangenehm! Wo soll man das Ding neu als Ersatzteil herbekommen?)
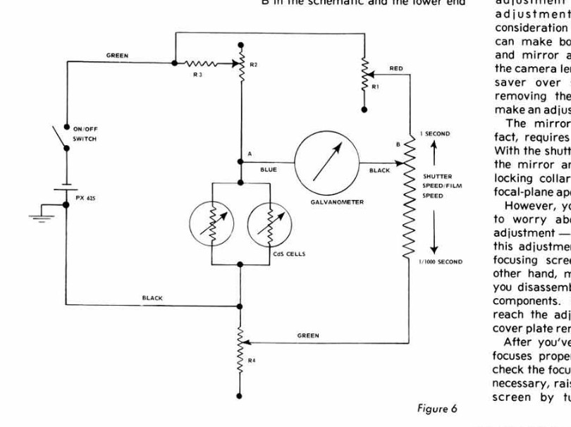
Schaltung (KEINE Wheatstone-Brücke!):
Anhang 133088
Lageplan:
Anhang 133089
Ich muß da noch etwas mehr Wasser in den Wein gießen.
1. Durch die Umstellung von zwei Fotowiderstwänden (Icarex) auf einen (oben, statt zuvor beide seitlich) gibt es in Verbindung mit dem Fenster für die Einspiegelung der Blendenwerte Störlicht. Bei Offenblende und Sonne im Rücken kein Problem, bei Fotos mit Arbeitblende "in den Sonnenuntergang" (Gegenlicht) geht es aber in den ärgerlichen Bereich.
2. Der Beli funktioniert so, daß Zeit, Blende und Filmempfindlichkeit mechanisch eingesteuert werden und über ein Metallband das Drehspulinstrument bewegen (dessen Gehäuse drehen), am Ende entsprechen 0,6mm Bandweg einem (1,0!) Blendenwert:
Anhang 133257
Dabei gibt es für
- die Kurvenscheibe am Zeitenrad (Spritzguß, glasfaserverstärktes Polycarbonat "Makrolon GV", sie zieht über eine Hebelübersetzung am Band)
- den Keil für die Blende im Objektiv (zieht eine lose Rolle, also Wegverdoppelung!)
- die Kurvenscheibe für die Filmempfindlichkeit (Messing, Hebel)
Toleranzen und das lange Metallband unterliegt der Dehnung bei Temperatureinfluß.
Alle drei Elemente übersetzen "kleiner Weg nach großer Weg", mit anderen Worten: Die Bauteiltoleranzen werden mit der Wegvergrößerung mit vergrößert.
Die Kurvenscheibe Zeit (Spritzguß!) hat einen Formfehler und einen Zentrierfehler (und sie kann auf der Achse kippen), der Hebel vergrößert den Fehler,
der Keil und die Anpassung des Objektivs bringen eine Toleranz und die "lose Rolle" im Bandzug verdoppelt den Weg und damit auch jeden Fehler,
die Kurvenscheibe DIN/ASA hat einen Formfehler (und einen Zentrierfehler und sie kann auf der Aches kippen).
Zeitenscheibe 25,71° pro Stufe, Steigung 3,3mm/360°, also 02,36mm / Stufe an der Scheibe, per Hebelübersetzung 2,52 ergeben 0,6mm am Band
größter Radius= 10mm +/1 0,1mm, Steigung 3,3 -0,05mm/360°
Anhang 133258
Dazu dann noch ein Exzenterfehler usw. usw. DIN/ASA Kurvenscheibe 1,25mm Steigung / 360°, 45° Drehwinkel für 3 Din / ASA Verdoppelung oder Halbierung, Radiendifferenz 0,156mm ergeben 0,6mm Bandweg.
Kleinster Radius 4,8 -0,05mm, Steigung 1,25 -0,05mm/360° (pikanterweise mit der gleichen Toleranz angegeben wie das Spritzgußteil, was erlauben?)
Die Fehler überlagern sich dann (Addition oder Kompensation), für jeden Einzelfehler Gaußsche Normalverteilung angenommen, Justage bei Zeit X (1/2s laut Buch WIMRE), 30% aller Geräte liegen 0,3 Blenden daneben, 11% um 0,4 Blenden und 2,6% der Geräte liegen gemäß konstruktiver Vorgabe um 0,5 Blenden neben der Mütze.
3. Dazu kommt dann noch der elektrische Fehler des Meßwerks (Addition oder Kompensation), und die DIN fordert +/- 0,5 Blenden Genauigkeit. Das wird gaaanz oft knapp.
4. Dazu kommen aber noch geistig moralische Defizite bei der Auslegung des Hemmmwerks (ungünstige Hebelwege, ungünstig gewählte Toleranzen für die Zahnräder) für die Verschlußzeiten und die Zeiten lassen sich aufgrund der Konstruktion des Hemmwerks oftmals einfach nicht justieren (zu große Streuung über X Auslösungen an einer Kamera bei einer eingestellten Zeit).
Das habe ich im Detail natürlich nicht alles selbst so erarbeitet ;-) Rollei bzw. Rollei-Werke Franke&Heidecke hat die Konstruktion als "fertig enwickelte Kamera" dereinst von Zeiss Ikon gekauft (im Rahmen des Kaufes der Voigtländer-Werke) und versuchte dann, die Kamera (Zeiss Ikon SL 706) im neuen Gewand als Voigtländer VSL 1 bzw. Rolleiflex SL 35 M in eigener Regie zu bauen. Dabei stieß man auf eine hohe Zahl von Kameras, die die Qualitätskriterin nicht erfüllten. In der Folge kam es zum Streit mit Zeiss Ikon und Rollei ließ a.d. 1976 von der TU Braunschweig und der TU Hannover Gutachten erstellen (aus denen ich hier sinngemäßt zitiere). Die Gutachter führen aus, daß eine Kamera ein komplexes Gebilde ist, aber jede Kette nur so stark wie ihr schwächstes Glied, und die für eine korrekte Belichtung maßgeblichen Glieder Belichtungsmessung und Belichtunsgszeitensteuerung sind fahrlässig schlecht konstruiert.