Suche Infos zur Schaltung des KIEV 60 TTL-Prismas, neuerer Typ
Hallo,
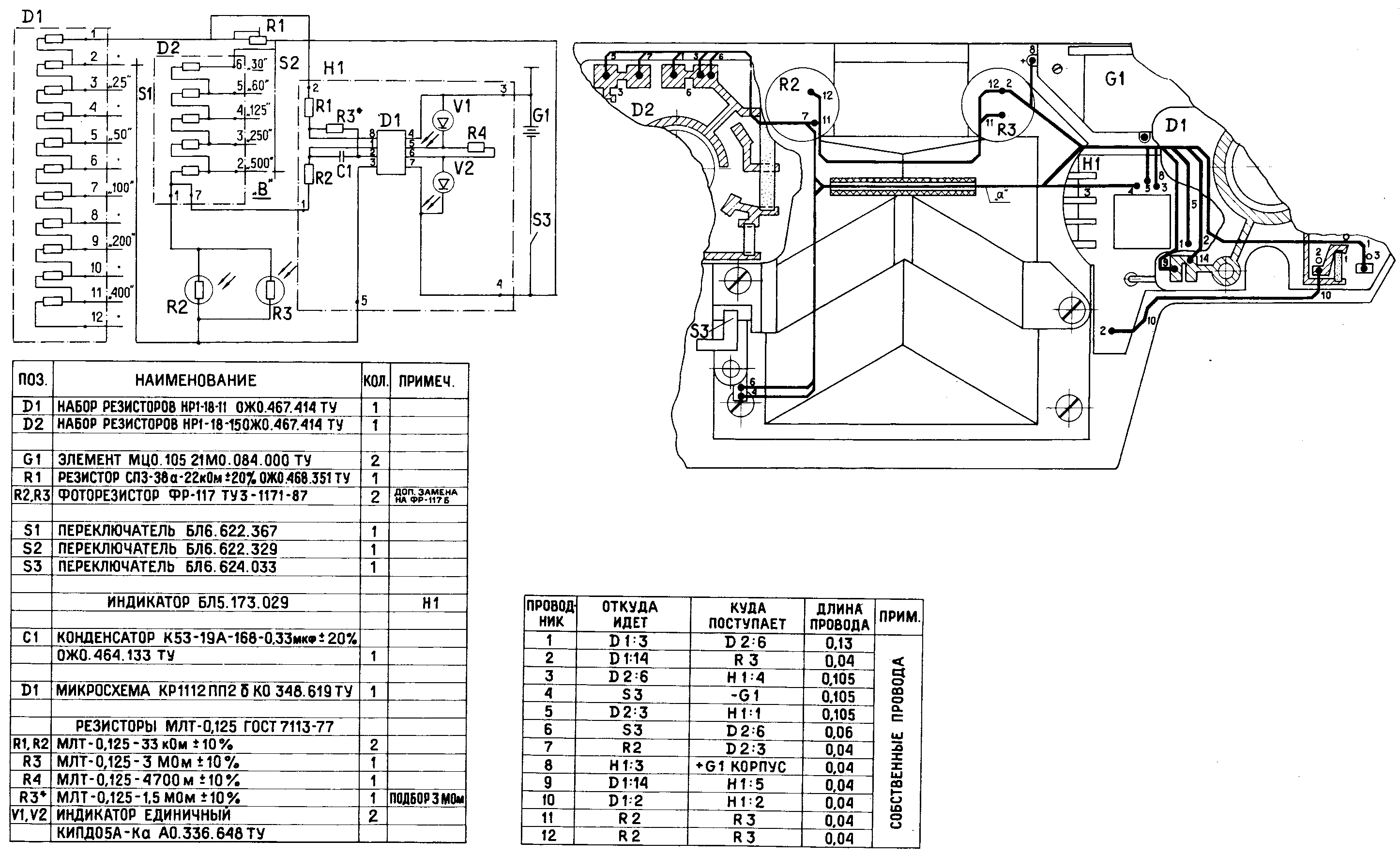
ich habe eine KIEV 60 mit dem neueren TTL-Prisma, also den Schiebeschalter statt dem Drehknopf zum Anschalten. Dazu finde ich keine Schaltungsunterlagen. Ich habe es mal aufgemacht. Für mich sieht es so aus wie eine Komparatorschaltung mit 2 in Reihe geschalteten CdS-Widerständen.
Innen ist ein sowjetisches IC 1112ПП2 (transliteriert: 1112PP2), für das es auch keine Unterlagen gibt. Könnte eine Art Analogrechner sein.
Der Fehler:
Von den beiden LEDs im Sucher leuchtet nur noch die für die Unterbelichtung. Es gibt 2 Trimmpotentiometer zum Abgleich. Das für starke Beleuchtung hat keinen Durchgang mehr. Darin vermute ich den Fehler. Weiß jemand, welchen Widerstandswert die beiden Trimmpotis hat? Oder hat jemand gar einen Schaltplan für das Ding?
Liste der Anhänge anzeigen (Anzahl: 1)
Wow, das ging schnell. Danke
Zitat:
Zitat von
ossi_
Ich habe mal versucht, das Schaltbild zu analysieren:
„Anwendungsschaltung des KR1112PP2 im Belichtungsmesser“
ich sehe ein Poti 100M. Das müsste das Drehrad oben auf dem Prisma zum Bedienen sein. Dann noch einen Trimmer 47K und einen 100K. Der 100K sollte der Übeltäter sein. Die Dinger sind flach und ziemlich klein, aber noch nicht SMD-Bauteile. Weiß jemand, wo man Ersatz dafür bekommt? Also, einmal 47kOhm und einmal 100kOhm.
Liste der Anhänge anzeigen (Anzahl: 1)
Kaum verrät jemand "KR1112PP2", findet man auch noch eine Verwendung:
Zenit 12XP
http://t.hacquard.free.fr/site2/arc_12xp_en.html
Mit Einspielung der Empfindlichkeit und der Verschlußzeit über diskrete Widerstände statt Poti und zwei parallel geschalteten Fotowiderständen
Anhang 159170