Liste der Anhänge anzeigen (Anzahl: 4)
Veranschaulichung einer Elko-Ladung (Exkurs für Elektronikinteressierte ;-)
Der aus dem Minolta Auto 132X ausgebaute und entladene Blitzelko fasziniert mich.
Anhang 147698
Siehe auch:
„Minolta Auto 132X: Sektion“
https://www.digicamclub.de/showthread.php?t=26717
Ich überlege, was ich damit - Ungefährliches - anstellen kann.
Zum Aufladen steht mir mein Labornetzgerät mit maximal 20 VDC (= Volt Gleichstrom)Ausgangsspannung zur Verfügung.
Das sollte eine noch ungefährliche Spannung sein.
Die Nennspannung des Elko beträgt 350 VDC.
Den Elko auf eine so hohe Spannung aufzuladen, ist nichts mehr für Versuche, sondern gefährlich!
Leuchtet die LED?
Mich interessiert, wie weit ich mit der erzielbaren Ladung komme.
Eine gute Vergleichsmöglichkeit - weil gewohnt - bietet eine LED.
Kann ich mit einer Ladung von
Q = C * U [Coulomb]
Q = 800 uF * 20 V
Q = 16 Millicoulomb
eine LED zum Leuchten bringen?
Das sollte funktionieren.
Denn die 16 Millicoulomb entsprechen immerhin 16 Milliampere, wenn sie in 1 Sekunde durch die LED fließen.
Das ergibt 1 Sekunde lang helles Leuchten.
Beschränke ich den Strom durch die LED auf 5 Milliampere, leuchtet die LED schwach, aber dafür länger, nämlich 3,2 Sekunden.
Die Spannung bändigen
Jetzt ist es beim Entladen eines Kondensators aber so, dass zu Beginn der meiste Strom fließt und die Spannung des Kondensators dabei rasch abnimmt.
Da meine LED nur 2 Volt verträgt, würden sie alles darüber an Spannung überfordern und ins elektronische Jenseits befördern ;-) Denn der Elko ist ja auf 20 VDC geladen.
Daher muss die Spannung für die LED geregelt werden. Nämlich so, dass sie maximal das an Spannung erhält, was ihr bekommt.
Am einfachsten sollte das mit einer Zenerdiode funktionieren, die hier 3 Volt Ausgangsspannung liefert und damit die LED passend versorgt.
Die LED bekommt noch einen Vorwiderstand, der die Eingangsspannung von 3 auf 2 Volt reduziert.
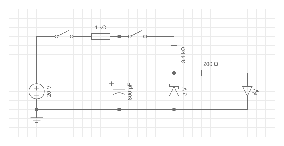
Eine Schaltung für die LED
Hier eine einfache Schaltung dafür, die in der Schaltungsimulation funktioniert:
Anhang 147693
(Simulation mit https://everycircuit.com/ )
- Links das Labornetzteil als Spannungsquelle mit 20 VDC.
- Über einen Schalter und einen Widerstand wird der Elko geladen. Das dauert 4 Sekunden.
- Über einen zweiten Schalter entlädt der Elko über einen Spannungsteiler mit Zenerdiode.
- Die Ausgangsspannung des Teilers versorgt schließlich die LED, die ca. 4 Sekunden abfallend leuchtet.
- Der Widerstand im Spannungsteiler ist so gewählt, dass durch die Zenerdiode kein Strom abfließt, der für die LED bleibt. Denn es ist ja nur die begrenzte Ladung des Elkos vorhanden.
Hier die Berechnungen dazu:
Anhang 147696
Aufladen des Elko
Anhang 147699
Spannungsbegrenzung mit Zenerdiode
(Berechnungen mit EE-ToolKit Pro https://ee-toolkit.com/ )
Dabei interessieren mich folgende Fragen:
- Kann ich die Ladung des Elkos so schalten, dass die LED gleichmäßig leuchtet und dann verlöscht? Also dass die LED von der Entladekurve herunterkommt und ein gleichmäßiger Strom fließt?
- Abgesehen von einer LED - mit welcher Last könnte die Ladung des Elko ebenso anschaulich demonstriert werden? Ich möchte ein besseres Gefühl für Ladungswerte bekommen. Elkos sind ja zB in den Minolta-X-Kameras prominent vertreten.