Liste der Anhänge anzeigen (Anzahl: 7)
Wunsch und Wahrheit: Kamerabatterie unter Belastung
Auf der Suche nach einer Lösung für einen Fehler an einer X-500, bin ich im Service Manual von Minolta auf einen Hinweis zur Batteriespannung gestoßen.
Eine Batterie, deren Spannung ohne weiteren Anschluss an eine Last gemessen wird (Leerlaufspannung), kann noch fit erscheinen, obwohl sie in die Kamera eingesetzt, nicht mehr genug Strom für eine störungsfreie Funktion liefert.
Das betrifft bei mir insbesondere die Batterien, die sich im Laufe der Zeit angesammelt haben, weil sie zwar nicht mehr frisch sind, aber als noch brauchbar erscheinen, da sie ja nicht viel zu tun hatten. So zumindest mein Eindruck.
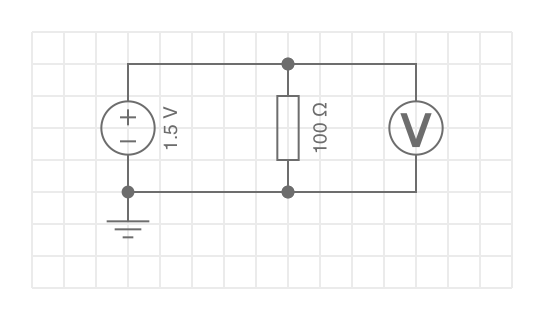
Testschaltung für eine Kamerabatterie
Minolta gibt für die X-500 eine kleine Testschaltung an, mit der die (Klemmen)Spannung der Batterie unter Last - also in der eingeschalteten Kamera - gemessen werden kann.
Anhang 146944
Battery Capacity Check
1. A 100 Ohm resistor is paralleled with the battery at normal temperature (25 +/- 25 °C) as illustrated. A digital multimeter or voltmeter is connected to the battery in parallel to the resistor to measure the voltage. In this case, be sure to perform quick measurement.
2. The battery, with its voltage more than 1.4 V. is regarded as normal.
Da ich eine schwächelnden Batterie als Fehlerursache verdächtige, habe ich diese Testschaltung aufgebaut.
Kandidat ist eine 3 V DL1/3N Lithiumbatterie, die ich aus meinem Vorrat an gebrauchten Batterien in die X-500 eingesetzt habe.
Ich möchte feststellen, wie hoch die Spannung der Batterie im Kameraeinsatz ist.
Anhang 146948
Ohne Belastung - also die Spannung direkt an der Batterie gemessen - ergibt sich eine Spannung von 2,9 Volt.
Das sieht doch gut aus.
3 Volt ist die Nennspannung, die auf der Batterie steht und die meine X-500 möchte.
Anhang 146945
Anhang 146947
Die Testschaltung am Experimentierboard.
Das Multimeter ist zur Spannungsmessung an einen 100-Ohm-Wiederstand angeschlossen, der die Belastung durch die Kamera nachstellt.
Die Batterie kontaktiere ich mit einem Krokoklemmenkabel als Schalter.
Anhang 146946
Gemessene Spannung am Widerstand: 2,6 Volt
Das sieht schon nicht mehr so gut aus.
- 0,3 Volt der 2,9 Volt Batteriespannung fallen am Innenwiderstand der Batterie ab.
- Nur 2,6 Volt fallen am Widerstand ab bzw. stehen der X-500 zur Verfügung, wenn sie in Betrieb ist.
- 3 Volt sollten es aber sein.
Das könnte der Grund dafür sein, dass meine X-500 nicht mehr so funktioniert wie erwartet.
Um die Batterie als Fehlerursache ausschließen zu können, werde ich die X-500 an mein Labornetzteil anschließen, das eine stabile Gleichspannung von 3 Volt liefert.
Stabil bedeutet, dass kontinuierlich und zeitunabhängig 3 Volt auch unter Last zur Verfügung stehen.
Im Gegensatz zu einer Batterie, die im Laufe der Zeit schwächer wird, da sich ihr Innenwiderstand erhöht. Dadurch wird die abgegebene Spannung geringer.
Hier noch zur Ergänzung die Berechnung des Innenwiderstands meiner Batterie, der mit 11,5 Ohm schon beträchtlich ist.
Je höher der Innenwiderstand (durch Verbrauch der Batterie), desto mehr Spannung klaut er, die eigentlich für die Arbeit der Kamera bereitstehen sollte.
Anhang 146949
Im Ersatzschaltbild sind die beiden gemessenen Batteriespannungen (im Leerlauf und unter Last) mit M1 und M2 blau markiert.
Durch Anwendung eines der Kirchhoffschen Gesetze und derer nach Ohm lässt sich der Innenwiderstand der Batterie berechnen.
(In der Skizze sollte der Innenwiderstand mit den errechneten 11,5 Ohm auf die rechte Seite, damit es mit den Spannungspfeilen seine Ordnung hat. Aber das Ergebnis bleibt gleich ;-)
Anhang 146950
Nachgestellt in der Schaltungssimulation.
Oben die erwartete Batteriespannung und unten die tatsächliche Batteriespannung unter Last.
Fazit
Geht es um den Test einer Kamera, sollten möglichst frische Batterien eingesetzt werden, um Fehler durch Unterspannung auszuschließen. Ideal wäre der Testbetrieb an einer stabilen Spannungsquelle wie zB ein Labornetzgerät.
Ich war schon im Begriff, die Kamera aufzumachen um Nachschau zu halten, begleitet von der Troubleshooting-Tabelle im Service Manual.
Vielleicht kann ich mir das jetzt ersparen :yes:
Fortsetzung folgt.
—
Schaltungssimulation mit EveryCircuit
https://everycircuit.com/
Liste der Anhänge anzeigen (Anzahl: 1)
Das führt mich gleich zu der Frage, wie ich die externe Spannungsversorgung über das Batteriefach anhänge.
Anhang 146986
Hier ist der Verschluss abgeschraubt.
Die Feder im Fach ist für den Plusanschluss, der metallene Deckel am Batterieeinsatz für den Minusanschluss. Der Deckel schließt beim Einschrauben in die Kamera mit der Gehäusemasse.
Löten möchte ich nicht, um die Folie aus Kunststoff auf der Bodenplatte der Kamera nicht zu beschädigen. Das gilt auch für den Batteriehalter am Einsatz.
Also wird es eine Bastelstunde geben ;-)
Liste der Anhänge anzeigen (Anzahl: 1)
Zumindest eine Bastelviertelstunde ;-)
So sollte es mit abgenommener Bodenplatte klappen:
Anhang 146987
Der rote Krokoklemme lässt sich schön am Pluspol festmachen.
Für die schwarze bietet eine gelockerte Schraube am Gehäuseboden (= Gehäusemasse) einen Montagepunkt.
Jetzt gleich ausprobieren, ob es mit dem Labornetzteil funktioniert.
Upps, da habe ich die falsche X-500 angeschlossen - sie sehen doch alle gleich aus ;-)
Liste der Anhänge anzeigen (Anzahl: 3)
Das Setup funktioniert:
Anhang 146991
Anhang 146993
Anhang 146992
Da der Stativanschluss Platz braucht, habe ich eine weiter entfernte Schraube im Gehäuseboden für den Massekabelanschluss verwendet.
2 x 30 schnelle Auslösungen mit Handaufzug.
Alles einwandfrei!
Also liegt es an der Batterie, und die war vermutlich bereits zu erschöpft, um im Serienbetrieb mitzuhalten ;-)
Der Auslöseelko im Kameraboden ist neu, der sollte ok sein.
Natürlich kann es auch weiter in der Schaltung ein Problem bei Batteriebetrieb geben, aber ich schließe damit ab :yes: