Liste der Anhänge anzeigen (Anzahl: 3)
Schneider-Kreuznach PA Curtagon 4/35mm Shift f. Leica R
Anläßlich eines Mini - Usertreffen in meinem Hause, bei dem wie gewohnt in leider viel zu kurzer Zeit,
massenweise Linsen "verfachsimpelt" und zwischen unserem Forenkollegen Marcus und mir hin und
hergereicht wurden, musste auch das PA Curtagon 4/35mm beim Abschied noch aus dem Koffer geholt
werden..
Mit der Bemerkung.. "... kannst ja mal testen".. drückte Marcus es mir in die Hand..
und berührte damit einen wunden Punkt.
Vor einiger Zeit platzte mir leider ein eigentlich schon telefonisch abgeklärter Deal für ein Paket aus
einem Summilux 1.4/50mm, einem Apo Makro Elmarit 2.8/100mm und eben einem PA Curtagon (allerdings
einem 28er) wegen der "Unseriosität" des Verkäufers, der sich nach rund 200 km Fahrt pro Richtung in seinem
Hause dann nicht mehr an die telefonische Verabredung über den Kaufpreis halten wollte und vor Ort dann neu
verhandeln wollte.
So blieben das PA Curtagon und die beiden anderen Objektive dort wo sie waren und ich fuhr unverrichteter
Dinge wieder ab.
Umso mehr freute es mich nun, doch endlich mal diese Schneider-Kreuznach Linse direkt testen zu können.
-----
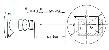
Mit einem Bildkreisdurchmesser von 57mm leuchtet es einen wesentlich größeren
Bildkreis aus, als man es von den KB - Objektiven gewohnt ist.
Dies erlaubt es, wie an den Großformatkameras schon lange üblich ist, eine Verschiebung des
Objektivs aus der optischen Achse um 7 mm in jede Richtung vorzunehmen.
Die Verschiebung des optischen System wird durch simples Drehen eines Ringes erreicht.
Dieser trägt die Ziffern 1-7, welche die Größe der Objektivverschiebung kennzeichnen.
Die Verschieberichtung kann dabei frei durch Drehen des optischen Systemsgewählt werden,
jedoch haben die wohl meistbenutzte Horizontal- und Vertikalstellung Rastungen.
Anhang 15911
Anhang 15913
Dies ist ein recht altes PA Curtagon, das noch für die Leicaflex Modelle von Leitz angefertigt wurde..
Seine technischen Daten vorab..
Gewicht mit Leica R > EOS Adapter 328 Gramm,
5 Blendenlamellen
4-5.6-8-11-16-22 in vollen Schritten
Naheinstellgrenze ab Sensor gemessen 30 cm..
Steckbare Streulichtblende
UV Absorbtion bei 90% (daher kein extra Filter notwendig.. effektive Vergütung in dem Bereich)
Diagonaler Bildwinkel 78 Grad
Hier das Linsen - Schema und die Darstellung des Bildkreises mit den sich ergebenden Verschiebegrenzen
Anhang 15912
Da das Wetter hier im Norden wohl etwas "aufklart", werde ich es heute etwas eingehender testen und später darüber berichten..
Wollte nur die technische Seite schonmal geschrieben haben..
LG
Henry
AW: Schneider-Kreuznach PA Curtagon 4/35mm Shift f. Leica R
Hallo Henry,
ja so ein Tilt- und Shift-Objektiv ist schon länger auf meiner Wunschliste....
Leider sind die 35 mm Brennweite an meiner Crop-Kamera doch etwas zu viel - am KB-Sensor natürlich klasse.
Mich würde ganz besonders ein Vergleich mit einem "normalen" 35 mm Objektiv interessieren - vor allem in der Architekturfotografie.
Gruss Fraenzel
AW: Schneider-Kreuznach PA Curtagon 4/35mm Shift f. Leica R
Zitat:
Zitat von
Fraenzel
Hallo Henry,
ja so ein Tilt- und Shift-Objektiv ist schon länger auf meiner Wunschliste....
...
Dürfte in dem Fall ausschließlich Shift sein, also ein paralleles Verscheiben der optischen Achse.
AW: Schneider-Kreuznach PA Curtagon 4/35mm Shift f. Leica R
Ein sehr interessantes Objektiv, das Du da vorstellst, und anscheinend eine ziemliche Rarität.
Was ich mich allerdings schon lange frage: Während ein Tilt-Effekt je nach Motiv nur sehr aufwändig oder gar nicht per EBV nachgestellt werden kann, ist das bei einem Shift-Effekt inzwischen mit den meisten Programmen schnell erledigt. In Lightroom sind das zwei Mausklicke. Ich würde gerne mal einen direkten Vergleich sehen zwischen einem solchen "EBV-Shift" und einem "echten" geshifteten Foto. Wegen des notwendigen Beschnitts müsste man dazu ein qualitativ ungefähr vergleichbares aber weitwinkligeres Objektiv verwenden, in diesem Fall wahrscheinlich 28mm.
Falls Du dazu kommst, einen solchen Vergleich zu machen, fände ich das sehr spannend.
AW: Schneider-Kreuznach PA Curtagon 4/35mm Shift f. Leica R
Zitat:
Zitat von
Helge
Ein sehr interessantes Objektiv, das Du da vorstellst, und anscheinend eine ziemliche Rarität.
Hallo Helge,
in der Bucht werden die gar nicht so selten angeboten. Hier ein aktuelles Beispiel:
http://www.ebay.de/itm/Schneider-Kre...item2a190fbea1
Gruss Fraenzel